DWDM Z-block
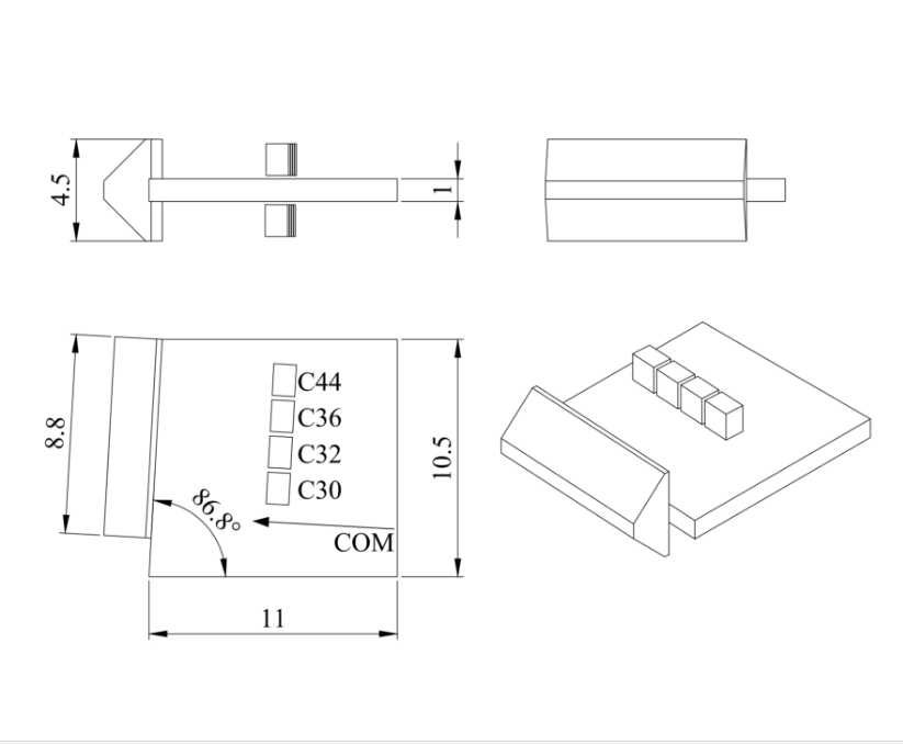
4通道C30, C32, C36, C44, DWDM4 Z-BLOCK mux demux光组件, 100GHz,1.4mm pitch, 1.2dB 典型插损,4度入射角(4°AOI),微晶滤波片基材,采用3维立体结构压缩光程,提升器件热稳定性,中心波长偏移量小, 支持光谱参数、光口位置和可靠性指标深度定制

富光科技4CH C30, C32, C36, C44, DWDM4 Z-BLOCK mux demux光组件是基于 大角度入射角(4AOI)DWDM滤波片技术和光路Z型折叠压工艺设计的100GHz通道间隔的收发模块光学引擎组件,它具有高隔离度、低插损和高热稳定性等优势。作为小型化分波和合波器件,应用于高速光模块的ROSA接收模组和TOSA发射模组中。

富光科技4CH C30, C32, C36, C44, DWDM4 Z-BLOCK mux demux光组件是基于 大角度入射角(4°AOI)DWDM滤波片技术和光路Z型折叠压工艺设计的100GHz通道间隔的收发模块光学引擎组件,它具有高隔离度、低插损和高热稳定性等优势。作为小型化分波和合波器件,应用于高速光模块的ROSA接收模组和TOSA发射模组中。

借助稳定成熟的TFF技术和精密微小光学制造平台,富光科技生产的DWDM Z-BLOCK光组件具有通道中心波长一致性高、通道pitch定位精度准H和插损值小的优势,能够为客户在光模块生产中提高光耦合效率和组装定位速度

富光科技为客户提供从膜系设计开炉到输入输出光耦合的一站式服务,包括:根据客户TOSA\ROSA参数提供BLOCK设计和仿真;根据客户使用环境提供针对性容差分析和优化;根据客户模块空间尺寸提供Z-BLOCK到LD\PD之间的光口位置和pitch值提供定制服务

特点/Feature

低插入损耗/Low insertion loss

高光束平行度/High beams parallelism

可靠性和稳定性/Exceptional reliability and stability

符合标准Telcordia GR-1221/1209-Core Compliant

 

应用/Application
网通光模块/Telecom transceivers

数通光模块/Data center transceivers

非标准高速光模块/Non-standard transceivers


技术指标/Specification:

参数/Parameter

Unit

Specifications

通道数/Channel number

ch

4

通道中心波长/Channel wavelength

nm

C30, C32, C36, C44 or ITU

通道间隔/Channel space      GHz                            100

通道带宽/Pass band

nm

λc ±0.11

通带纹波/Ripple over pass band

dB

0.5

通道插入损耗/Channel insertion loss

dB

≤1.5

入射角/Angle of incidence

°

4°±0.2

插损一致性/IL uniformity

dB

≤0.5

通道光斑间隔/Beam spot pitch

mm

1.4

相邻通道隔离度/Adjacent channel isolation

dB

25

非相邻通道隔离度/Non-adjacent channel isolation

dB

35

偏振相关损耗/Polarization dependent loss

dB

≤0.25

回损/Return loss

dB

45

运行温度/Operating temperature

°C

-20 ~ +70

储存温度/Storage temperature

°C

-40 ~ +85

器件尺寸/ Dimension

mm

15.56X6.0X1.5 or 11x10.5X4.5

运行环境条件/Reliability Test and Conditions

温度循环测试/Temperature Cycling

Temperature -40 to 85 Number of Cycles:100

GR-12216.2.7

湿热测试/Damp Heat Test

Temp.: 85; Humidity: 85%RH; Duration: 500hours

GR-1221 6.2.5

干热测试/Dry Heat

85°C (±2°C) < 40% RH, 2000 hrs.

GR-1221 6.2.4


  • 上一篇:暂无
  • 下一篇:暂无
推荐产品